Geologists Simulate Deep Earthquakes in the Laboratory

Riverside, Ca –

UC Riverside-French team simulates deep earthquakes in the laboratory, confirming phase transition of olivine is trigger for earthquakes occurring at depths below 400 kilometers.

More than 20 years ago, geologist Harry Green, now a distinguished professor of the graduate division at the University of California, Riverside, and colleagues discovered a high-pressure failure mechanism that they proposed then was the long-sought mechanism of very deep earthquakes (earthquakes occurring at more than 400 km depth).

The result was controversial because seismologists could not find a seismic signal in the Earth that could confirm the results.

Harry Green (c) Green Lab / UCR
Photo credit: Green Lab, UC Riverside

Geologist Harry Green is a distinguished professor of the graduate division at the University of California, Riverside.

 

Seismologists have now found the critical evidence. Indeed, beneath Japan, they have even imaged the tell-tale evidence and showed that it coincides with the locations of deep earthquakes.

In the Sept. 20 issue of the journal Science, Green and colleagues show just how such deep earthquakes can be simulated in the laboratory.

“We confirmed essentially all aspects of our earlier experimental work and extended the conditions to significantly higher pressure,” Green said.  “What is crucial, however, is that these experiments are accomplished in a new type of apparatus that allows us to view and analyze specimens using synchrotron X-rays in the premier laboratory in the world for this kind of experiments — the Advanced Photon Source at Argonne National Laboratory.”

The ability to do such experiments has now allowed scientists like Green to simulate the appropriate conditions within the Earth and record and analyze the “earthquakes” in their small samples in real time, thus providing the strongest evidence yet that this is the mechanism by which earthquakes happen at hundreds of kilometers depth.

Pyroxene crystal (c) Green Lab / UCR
Image credit: Green Lab, UC Riverside

The origin of deep earthquakes fundamentally differs from that of shallow earthquakes (earthquakes occurring at less than 50 km depth). In the case of shallow earthquakes, theories of rock fracture rely on the properties of coalescing cracks and friction.

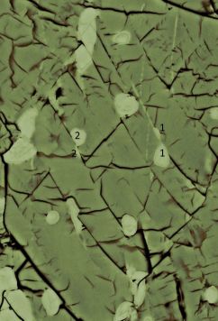
Image shows olivine crystal of a sample used to simulate deep earthquakes. The olivine contains small crystals of pyroxene within it that have been cut by “nanofaults.” The numbers each show the parts of a pyroxene crystal that has been cut and displaced along a “nanofault.”

“But as pressure and temperature increase with depth, intracrystalline plasticity dominates the deformation regime so that rocks yield by creep or flow rather than by the kind of brittle fracturing we see at smaller depths,” Green explained.  “Moreover, at depths of more than 400 kilometers, the mineral olivine is no longer stable and undergoes a transformation resulting in spinel, a mineral of higher density”

The research team focused on the role that phase transformations of olivine might play in triggering deep earthquakes.  They performed laboratory deformation experiments on olivine at high pressure and found the “earthquakes” only within a narrow temperature range that simulates conditions where the real earthquakes occur in Earth.

“Using synchrotron X-rays to aid our observations, we found that fractures nucleate at the onset of the olivine to spinel transition,” Green said. “Further, these fractures propagate dynamically so that intense acoustic emissions are generated.  These phase transitions in olivine, we argue in our research paper, provide an attractive mechanism for how very deep earthquakes take place.”

Green was joined in the study by Alexandre Schubnel at the Ecole Normale Supérieure, France; Fabrice Brunet at the Université de Grenoble, France; and Nadège Hilairet, Julian Gasc and Yanbin Wang at the University of Chicago, Ill.

The research was funded by grants from the Institut National des Sciences de l’Univers and L’Agence Nationale de la Recherche.  The Advanced Photon Source facility is funded by the National Science Foundation and the Department of Energy.

 

Let us help you with your search