Content Marked with: Harry Green

Breadcrumb
Harry_Green

Study Proposes Common Mechanism for Shallow and Deep Earthquakes

"Earthquakes are labeled “shallow” if they occur at less than 50 kilometers depth. They are labeled “deep” if they occur at 300-700 kilometers depth. When slippage occurs during these earthquakes, the faults weaken. How this fault weakening takes place is central to understanding earthquake sliding. A new study published online in Nature Geoscience today by...
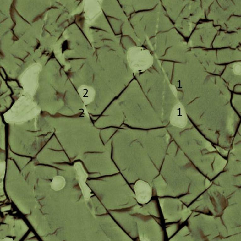
pyroxene crystal

Geologists Simulate Deep Earthquakes in the Laboratory

"More than 20 years ago, geologist Harry Green, now a distinguished professor of the graduate division at the University of California, Riverside, and colleagues discovered a high-pressure failure mechanism that they proposed then was the long-sought mechanism of very deep earthquakes (earthquakes occurring at more than 400 km depth). The result was controversial because seismologists...
| Earthquakes & Geophysics

Geophysicists Claim Conventional Understanding of Earth's Deep Water Cycle Needs Revision

"A popular view among geophysicists is that large amounts of water are carried from the oceans to the deep mantle in “subduction zones,” which are boundaries where the Earth’s crustal plates converge, with one plate riding over the other. But now geophysicists led by the University of California, Riverside’s Harry Green, a distinguished professor of...
Let us help you with your search